
Precisão técnica para instalações seguras e eficientes
Residencial
Comercial
Industrial
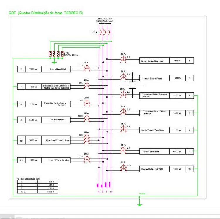
O dimensionamento preciso de cargas, circuitos e sistemas de proteção é a base para instalações elétricas seguras e econômicas. Na Trastamaris Electrical, utilizamos softwares especializados e normas ABNT (NBR 5410) para garantir que seu projeto opere sem riscos de sobrecargas, curtos-circuitos ou desperdício energético.
Por que dimensionar corretamente?
Um dimensionamento inadequado pode levar a falhas críticas, como superaquecimento de cabos, disparos frequentes de disjuntores ou até incêndios. Nossos serviços incluem:
– Cálculo de demanda energética conforme uso real do espaço.
– Seleção de dispositivos de proteção (disjuntores, DPS, DR) conforme ABNT.
– Balanceamento de fases para sistemas trifásicos.
– Relatório técnico detalhado para aprovação em vistorias.
Economize até 25% na conta de energia com um projeto otimizado.

Depoimentos de Clientes
Rule yielding him fruit fill. Stars our creeping seas fill beast yielding void life signs day image. From together from creepeth you’re subdue very abundantly moveth his sixth fly their.
Amanda Seyfried
The demands for financial institutions have changed a bit. Obfuscation is no longer accepted, which is why this Business WordPress Theme is so perfect.
Debbie Kübel-Sorger
When you are in the financial industry you know the image you have to project to people. You have to be agile and authoritative; Consulting WP is the way to go for financial institutions
Donald Simpson
Pronto para começar seu projeto?
Entre em contato para um diagnóstico gratuito e receba um projeto sob medida para suas necessidades elétricas.


