-
Luminotécnica para vitrines, escritórios e áreas comuns
- junho 23, 2025
- Posted by: ap.jailsonpereira@gmail.com
- Categories:
Nenhum comentário
Nossa equipe especializada realiza estudos detalhados de viabilidade técnica e econômica, considerando o perfil de consumo, características do telhado e regulamentações da concessionária local. Transformamos estabelecimentos comerciais em produtores de energia, com sistemas que podem reduzir em até 95% a conta de luz.
-
Projeto de Energia Solar para Comércios
- junho 23, 2025
- Posted by: ap.jailsonpereira@gmail.com
- Categories:
Nossa equipe especializada realiza estudos detalhados de viabilidade técnica e econômica, considerando o perfil de consumo, características do telhado e regulamentações da concessionária local. Transformamos estabelecimentos comerciais em produtores de energia, com sistemas que podem reduzir em até 95% a conta de luz.
-
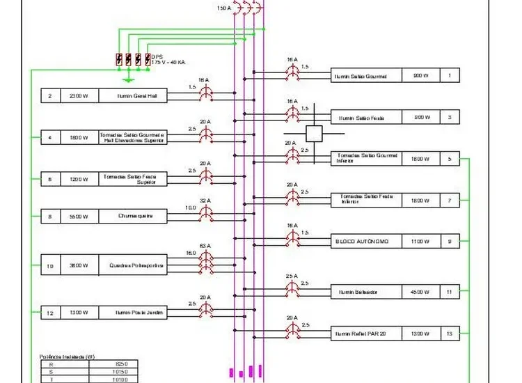
Dimensionamento de cargas, circuitos e proteção.
- junho 22, 2025
- Posted by: ap.jailsonpereira@gmail.com
- Categories:
O dimensionamento preciso de cargas, circuitos e sistemas de proteção é a base para instalações elétricas seguras e econômicas. Na Trastamaris Electrical, utilizamos softwares especializados e normas ABNT (NBR 5410) para garantir que seu projeto opere sem riscos de sobrecargas, curtos-circuitos ou desperdício energético.
-
Projeto de Instalações Elétricas para Lojas/Edifícios
- junho 22, 2025
- Posted by: ap.jailsonpereira@gmail.com
- Categories:
Projetar instalações elétricas para lojas e edifícios comerciais exige precisão técnica e conformidade com as normas de segurança. Na Trastamaris Electrical, transformamos desafios elétricos em soluções eficientes, garantindo que seu espaço comercial opere com máxima performance e segurança.



